Skip to content

McLaren Audio

Home of McLaren Audio

  • Repairs and Up Grades
  • Testimonials
  • Design Philosophy
  • McLaren Audio History
  • Contact
  • Technical
    • McLaren 01 Service
    • McLaren 02 Service
    • McLaren 03 Service
    • ZPE Series II Service
    • ZPE Series III Service
  • About Bruce Crothers
  • Restoration Projects

ZPE Series II Service

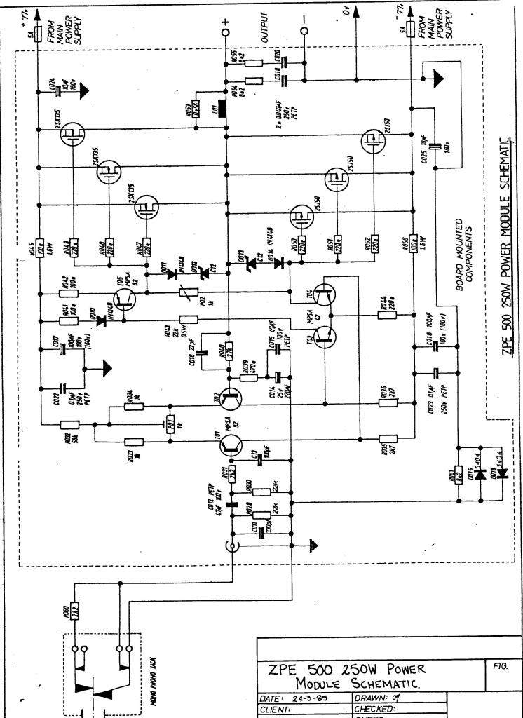
ZPE500 Servive information
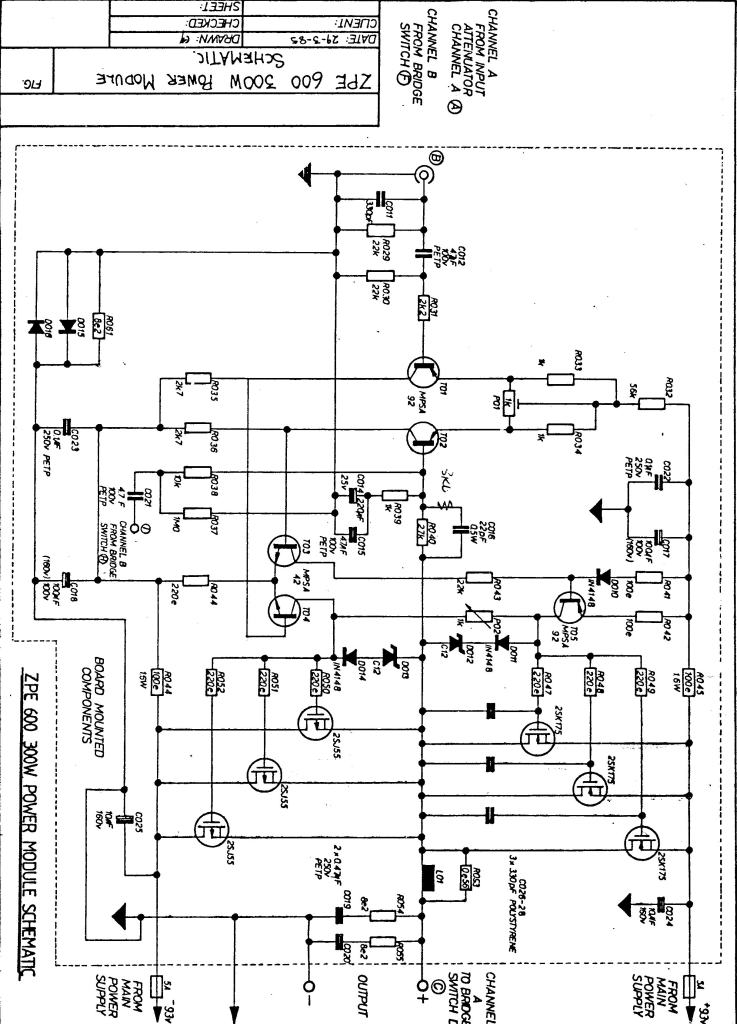
ZPE600 Service information
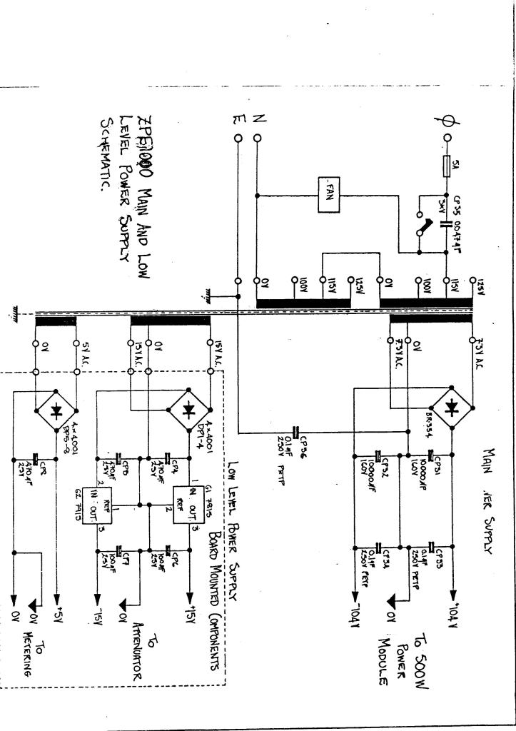
ZPE1000 Service information

Share this:

  • Share on X (Opens in new window) X
  • Share on Facebook (Opens in new window) Facebook
Like Loading...
Website Built with WordPress.com.
  • Subscribe Subscribed
    • McLaren Audio
    • Already have a WordPress.com account? Log in now.
    • McLaren Audio
    • Subscribe Subscribed
    • Sign up
    • Log in
    • Copy shortlink
    • Report this content
    • View post in Reader
    • Manage subscriptions
    • Collapse this bar
 

Loading Comments...
 

    %d